1.引言:
隨著我國機械裝備、汽車工業等行業的快速發展,我們對軸承加工設備,尤其是高精度、高效率、高可靠性的軸承磨床需求量十分龐大。軸承,作為機械工業的基礎件,其加工設備的重要性非常突出。目前,我們國家的軸承加工設備相對存在加工精度差,重復精度不高、生產效率低的問題,生產的軸承和國外品牌有相當大的差距。以小型球軸承加工設備為例,有許多個體企業還在使用手工作業生產,這從側面說明了我們在設備的自動化控制方面還有許多工作要做。當然,軸承設備的機械加工精度要求很高,在此基礎上,設計一套優秀的自動控制系統及其控制軟件非常重要。筆者在參與某集團公司的新型軸承自動化生產線的研制過程中,引進光洋電子的伺服控制模塊,成功設計出了一套新的軸承磨床控制系統并完成系統軟件的設計。值的一提的是,光洋(KOYO)精工是日本的軸承生產龍頭企業之一,其軸承磨削的自動化控制確有其獨到之處。
2.工作原理及控制要求:
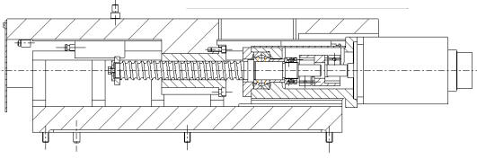
以RF-3MZ203小型軸承內圓磨為例,其機械結構的關鍵在于磨削進給機構,一般采用直線導軌和滾珠絲杠總成。加工時,工件(軸承套圈)高速旋轉,磨削進給機構控制砂輪精確運動,進行磨削加工。所以,磨削進給的控制精度十分重要,這里采用安川的全數字化交流伺服系統控制。
磨削進給機構示意圖如下

該磨床自動化控制的總體要求是
(1) 開關量輸入64點,開關量輸出24點。
(2) 采用伺服定位模塊控制安川的交流伺服系統。由于內圓磨床磨削加工時有測抓在線測量,所以需要構成全閉環伺服控制。加工效率高,要求伺服系統有良好的高速響應能力;加工精度高,要求伺服系統有良好的剛性,以及優秀的低速性能。總體上要求伺服系統在高、低極限都能達到良好的性能。加工精度達到1μm
(3) PLC控制多臺變頻器。
(4) 采用觸摸式人機界面,操作直觀方便,界面友好。
(5) 具備PLC總線連接能力,可以進行整條生產線的聯網控制。
3.控制系統硬件設計:
根據上述控制要求,PLC選擇光洋電子的SU系列,變頻器和交流伺服選擇安川的產品,觸摸屏選用光洋電子的GC-55EM2,共同組成磨削自動控制系統。選擇光洋PLC主要是因為其中的U-01SP單軸伺服控制模塊可以與交流伺服驅動系統良好的配合,達到優良的高、低速性能,而且伺服電機的編碼器信號直接反饋到該模塊,測抓反饋的中斷控制信號也直接反饋到該模塊,從而構成真正意義上的閉環控制。該模塊在光洋精工已經得到長期應用。安川的交流伺服剛性好,技術先進、質量穩定,用于軸承加工設備非常合適;其變頻器具備MODBUS總線,由于光洋電子的SU系列CPU模塊的通訊口已經內置MODBUS協議,所以可以采用通訊方式控制多臺變頻,相比原先類似系統采用的模擬量輸出控制簡化了PLC硬件配置從而大幅節約了成本。值得一提的是SU-5M通訊功能強大,CPU自身具備3個通訊口,分別用于觸摸屏通訊、變頻器通訊、總線控制,而不需要單獨的通訊模塊,對提高配置的性價比起到了十分關鍵的作用。
系統示意圖如下:

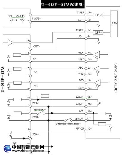
U-01SP與交流伺服配線圖如下:

4.控制軟件設計:
軸承磨削的工藝十分復雜,磨削的方式有多種。本磨床主要是通過控制磨架的前后運動與砂輪進給機構相配合,完成磨削過程。控制的要點在于磨削進給機構的動作,也就是伺服系統的控制。本系統中的U-01SP可以用類似CNC的G代碼控制,從而實現復雜的程序結構。利用這套系統,我們實現了電氣原點的手動設置、手動調整模式與自動運行模式的切換、單次運行(半自動)與連續自動運行的自由切換、砂輪的各種修正模式、以及順序復位(按機床動作流程,到需要返回時按原先已經動作的順序反方向倒退回初始狀態。因為機床的各部件動作需要錯開,同時復位會造成碰撞)。U-01SP與PLC的信息交換通過該模塊占用的輸入輸出點進行。其對應關系見下表

程序控制分為兩部分,CPU內的主程序為傳統的PLC梯形圖程序,該程序采用光洋的級式語言編程,依據工藝流程圖編寫,結構明晰、調試方便;U-01SP內下載伺服控制程序,整個磨削過程及砂輪修正程序均包含在G代碼伺服程序內。當PLC主程序需要調用伺服程序時,只需要控制U-01SP的對應輸出繼電器即可。如啟動自動運行,只需將Qn+02輸出為ON;如啟動手動反轉,將Qn+03置為ON即可,伺服運行時In+02為ON顯示伺服系統運行中(BUSY)。限于篇幅,詳細的工藝流程圖在此無法展開,這里給出砂輪修正部分的PLC程序示例:

G代碼編程介紹:
由于U-01SP伺服定位模塊的類CNC的G代碼具有編程方便、功能強大、調試直觀、易于學習等許多優點,在此作簡單說明。
(1)定位控制命令的基本格式:
N100 G00 X500 F3000
其中N100為程序標號,G00為命令碼,X500代表定位位置,F3000表示定位速度。
(2)常用G代碼命令

在實際使用中,帶中斷的定位非常有用。例如在測抓工作時,如果測抓檢測到磨削尺寸已經到達設定值,立刻發出中斷信號,U-01SP接收到該信號立即發出停止指令給伺服系統。
編程舉例如下:
G05為連續定位,按設定的位置、速度進行連續定位
N10 G0 5 X500 F500
N11 G0 5 X1000 F300
N12 G0 0 X1500 F200
G25為帶中斷的連續定位,在到達目標值前有中斷信號則立即進行下面的定位
N10 G25 X500 F500
N11 G25 X1000 F300
N12 G26 X1500 F200
下面的2個示意圖顯示了兩者的差別。
當然,常用的G代碼命令還有很多,限于篇幅就不一一例舉了。
實際運行的伺服程序采用可設定的寄存器,還要進行PLC、觸摸屏、伺服模塊間的數據傳送;同時,要根據不同的工藝要求進行程序跳轉;甚至可以在同一個程序內進行坐標系的切換(絕對/相對坐標系)。一般來說,采用U-01SP的G代碼編程,可以節省數K空間的PLC程序,對于編程、調試、維護帶來的便利性不言而喻。
結束語:
說到CNC數控系統,相信許多人對G代碼編程是非常熟悉的,但是在PLC系統中融合G代碼編程的產品目前在國內并不普及。我們的這套系統自2000年在國內首次投產距今已接近5年時間,用戶反映質量穩定,使用便利。值得一提的是我們的這套系統走出了伺服電機最低轉速每分鐘0.1轉以下的極限!如此低的速度在光磨時有著重要的意義,因為光磨時需要的就是非常低的磨削速度,以逼近無進給磨削狀態,可以達到極高的磨削精度。事實上,用戶利用我們的PLC系統和三菱的專用CNC系統做了比較,磨削后工件的測量結果表明,采用PLC系統的磨削精度、加工的重復精度完全達到專用CNC系統的水準。從這一點來說,這套PLC系統有著良好的性能和特點:它將PLC的控制和高性能的伺服定位控制結合在一起,提供了PLC的易用性和CNC的高性能,具有很好的推廣價值和應用前景。